TORONTO--(BUSINESS WIRE)--Feb 18, 2025--
Rupert Resources Ltd (“ Rupert ” or the “ Company ”) has completed a Pre-feasibility study (“PFS” or “study”) for its 100% owned Ikkari Project (the “Ikkari Project” or “Ikkari”). Ikkari is located 40km from the town of Sodankylä in Northern Finland. An accompanying National Instrument 43-101 Standards of Disclosure for Mineral Projects (“ NI 43-101 ”) technical report is available on the Company’s website at www.rupertresources.com and has also been filed on SEDAR+ at www.sedarplus.ca.
This press release features multimedia. View the full release here: https://www.businesswire.com/news/home/20250218078462/en/
{All figures are in US$ unless otherwise noted}
PFS HIGHLIGHTS
Graham Crew, Chief Executive Officer of Rupert Resources said “The results of today’s study and declaration of 3.5Moz Probable Mineral Reserve confirm Ikkari’s ability to translate robust project fundamentals into compelling project value. The PFS confirms Ikkari’s potential for lowest quartile costs combined with manageable initial capital requirements in a Tier 1 jurisdiction for mining. Work on the Definitive Feasibility Study and Environmental Impact Assessment are already underway and we look forward to publishing results from our 2025 winter exploration campaign in due course.”
Financial model after-tax project value and returns at range of gold prices
*NPV rounded to 2 significant figures at all gold prices
Financial Model Assumptions
1 0.75% combined state and landowner royalty payable on plant feed gold content.
PFS Summary
Ikkari is a grassroots discovery made in 2020 by Rupert and completion of the PFS represents a major milestone for the company as it advances the Ikkari Project towards production. The PFS builds on the 4.09Moz Indicated Mineral Resource delivered in November 2023 and enables the Company to declare a maiden Probable Mineral Reserve for the project of 52Mt at 2.1g/t Au for 3.5Moz. Following the successful completion the PFS, Rupert will progress to a Definitive Feasibility Study for the project and expects to submit its EIA in H2 2025.
The Ikkari PFS envisages a staged mine design to minimise waste stripping and enable early production from high grade areas in the open pit. The open pit will produce ore for 10 years before transitioning to a long hole open stope (“LHOS”) underground mine from year 10 for the remainder of the 20-year LOM. Both the grade and the low strip ratio in the open pit are key drivers of a lowest quartile ASIC operation set out in the PFS.
1 Cash cost includes selling expenses
2 As per the World Gold guidance (Gold All in Sustaining Costs | Gold AISC | World Gold Council) available at www.gold.org/gold-standards/non-gaap-metrics-guide, the objective of the AISC metric is to provide stakeholders (i.e. management, shareholders, governments, local communities, etc.) with transparent and comparable metrics that reflect as close as possible the full cost of producing and selling an ounce of gold, and which are fully and transparently reconcilable back to amounts reported under Generally Accepted Accounting Principles (“ GAAP ”) as published by the Financial Accounting Standards Board (“ FASB ”) or the International Accounting Standards Board (“ IASB ” also referred to as “ IFRS ”). AISC is a non-GAAP metric.
Project economics
*Modelled using $2150/oz gold and 5% discount rate; ^Rounded to 2 significant figures
Operating cost estimate
1 Excludes capitalized pre-strip tonnage and cost
2 Strip ratio is inclusive of capitalized pre-strip tonnage
Capital cost estimates (All USD millions)
Ikkari Mineral Reserve
Notes:
Ikkari Mineral Resource (inclusive of Mineral Reserves)
Notes:
Mining
The PFS considers extraction of the 3.5Moz Probable Mineral Reserve over a 20 year mine plan with an initial 10 years of mining from open pit with a strip ratio of 3.7 inclusive of pre-stripping. Underground mine development will commence in year 6, with mining by the LHOS method commencing in year 10 through to year 20 (Figures 3 and 4).
Open pit mining will be performed using a conventional truck and shovel configuration with drilling and blasting on 10m benches and the open pit extending to a depth of 300m below surface. The PFS financial model assumes contractor mining except blasting where costs were estimated from first principles. Two stages are planned to maximise early revenue by delaying some waste mining whilst accessing the high-grade ore early in the mining schedule. Open pit operations commence in Year -1, with pre-stripping of the unconsolidated overburden. The open pit operations are planned to produce 3.5Mtpa of ore and cease in Year 11 after with mining transitioning to the underground portion of the deposit.
Underground mining utilises LHOS with a combination of paste and waste rock backfill. Access to the underground mine consists of two declines: one from surface to the east of the open pit with development commencing in year 6 ahead of stoping in year 10. Stopes are planned on 30 m vertical intervals and 15 m intervals between stopes. A primary-secondary stope sequence is planned to enable the underground operations to produce at 2.0 Mtpa to a maximum depth of 540m below surface, 240m below the base of the open pit.
Ikkari open pit strip ratio by stages:
Note: Strip ratio is inclusive of pre-strip
Processing
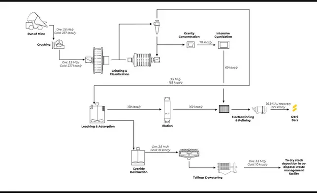
Metallurgical test work has confirmed that the expected recovery can be achieved using a conventional flow sheet consisting of crushing and grinding to 100 µm followed by gravity concentration, and intensive leach of the gravity concentrate with carbon-in-leach of the gravity tails. Based on the metallurgical test work results and the proposed flowsheet, the overall projected metallurgical gold recovery is estimated as 95.8% with 29% reporting to the gravity circuit.
Gold will be recovered via electrowinning and poured into doré bars. Tailings from the CIL circuit will be detoxed using a SO 2 /Air cyanide destruction circuit and pumped to the filtration plant. Tailings will be thickened in a high-rate thickener and feed three horizontal pressure filters prior to reclamation into co-disposal facility.
Co-disposal waste rock and tailings facility
The mining waste and filtered process tailings are to be co-disposed at one location to the north of the plant. This co-disposal facility has a designed capacity of 91.5 Mm³ which includes a 13.5% contingency. The maximum height of the facility approximately 80m to match the surrounding topography and covers an area of approximately 2.0 Mm².
The design allows for phased development during construction and the first few years of LOM. The average side slope of the facility is 1:3, which includes of operational benching. The waste and filtered tailings are to be continuously placed in layers of varying depths depending on the strip ratio and surface area of the facility as it rises. Both the waste and filtered tailings require compaction during deposition.
Water management, treatment and discharge pipeline
Contact water and process water are to be treated in two separate treatment plants. Contact water including run-off and seepage from the co-disposal facility will be collected to the raw water pond, treated, then stored in the treated water pond before being discharged to the Kitinen River via a 37 km pipeline to minimise environmental impact and provide operational flexibility.
Where possible both groundwater and surface water will be intercepted before contact with the Ikkari Project area to minimise volumes requiring treatment as contact water. This will be achieved through a series of ex-pit watering wells, surface berms and channels.
Process water will be treated and re-cycled back to the process plant via the second water treatment plant significantly reducing raw water requirements. Where necessary, treated contact water will be utilised to top-up process plant requirements.
Project Infrastructure
Surface infrastructure to the Ikkari mine (i.e. process plant, filter plant, maintenance workshops, administration, water treatment plant) will be principally located on a gently undulating hill to east of the proposed open pit. (Figure 6). A network of roads is planned within the site, including the ROM haul road to the ore stockpile and primary crusher, a waste haul road and filtered tailings haul roads. A designated main access road is routed through the plant site accessing the administration building, process plant, workshops, stores and filtration plant. A network of lighter access roads will be provided to access the remaining surface assets.
All project infrastructure is contained within Rupert Resources 100% held exploration licence, Heinälamminvuoma (ML2011:0033-03). External infrastructure including pipeline, access road and power line are expected to be permitted though a separate auxiliary permitting process and are not required to be constrained within the future Mining Licence and thus sited on Rupert Resources held ground (Figure 6).
Access, regional infrastructure and power
Ikkari is well supported by existing infrastructure and is accessed by tarmac and a 5km gravel road from the towns of Kittilä (50km west) and Sodankylä (40km east), both of which provide support services and labour to two existing mines in the area (Kittila, Agnico Eagle and Kevitsa, Boliden). A 220kV power transformer substation is located 9km from Ikkari that can be used as a connection point to the national grid for a 110 kV power line to the Ikkari minesite. A power surplus is envisaged in Lapland towards the end of the decade and the project has access to 100% renewable power.
Stakeholder Engagement
Rupert Resources is based in the town of Sodankylä (population of around 8,000, located 40km from Ikkari) where mining is already a significant contributor to the local economy. The Company is in its fifth year of community engagement specifically on the Ikkari Project and is encouraged by local support for the Ikkari Project.
As part of the EIA process, Rupert has established a steering committee where authorities and local stakeholders can give their feedback and comments on the Ikkari Project. Small group discussions have been held twice in 2023 and 2024 and are planned to continue in 2025. Topics addressed by the small groups have included: reindeer herding, inhabitants, municipality and livelihoods, recreational use and nature protection.
In total Rupert Resources has logged 51 public events since 2016 and Rupert personnel discussed the project with 1,763 individuals in 2024 alone. These extensive efforts led to the Rupert team achieving the highest possible AAA Standard for community engagement following an external audit by Towards Sustainable Mining – Finland.
Next steps, permitting and timeline
The Company plans to submit an EIA for the Ikkari Project by the end of 2025 and based on the positive the results of the PFS, a Definitive Feasibility Study will also be initiated within the same time period. Geotechnical, metallurgical and environmental studies are already underway to support this study.
Several potential optimisations covering water treatment and closure were noted during the development of the PFS however these could not be fully investigated within the scope of this study. These will be interrogated further during optimisation work ahead of the DFS to ensure the optimal project is considered.
Based on an estimated 24 month environmental permitting period and 30 month required for construction, the first gold pour for Ikkari is now targeted for 2030. (Figure 7)
Study team
The PFS study team was led by WSP, a global provider of consulting and engineering services for mining projects. WSP was supported by Piteau (hydrogeological studies), Grinding Solutions Ltd (metallurgy), Paterson & Cook (paste), Mine Environmental Management (tailings and waste) and Envineer Oy (environmental studies).
Review by Qualified Person and Ikkari Technical Report
The Ikkari Technical Report was prepared and executed by WSP in accordance with NI 43-101. The Qualified Persons for the Ikkari Technical Report are Mr. Timothy Daffern B. Eng. (Mining). C. Eng. (UK) Fellow AusIMM. Fellow IOMMM (QMR). MSME, MCIM and Mr. Brian Thomas, BSc (Geol) P.Geo, both independent QPs within the meaning of NI 43-101 and employees of WSP. The Ikkari Technical Report contains the expressions of professional opinions of the Authors based on: (i) information available at the time of preparation, (ii) data supplied by Rupert Resources [and others], and (iii) the assumptions, conditions, and qualifications set forth in this report. The quality of information, conclusions, and estimates contained herein are consistent with the stated levels of accuracy as well as the circumstances and constraints under which the mandate was performed.
Mr. Daffern has read, reviewed and supervised, to the extent necessary, all aspects of the PFS to observe compliance to the requirements of NI 43-101 and has reviewed and approved the scientific and technical information related to the PFS in this press release.
This Mineral Resource estimate reflected in the Ikkari Technical Report has been prepared in accordance with NI 43-101. The methodology used to determine the Mineral Resource estimate is consistent with the CIM Estimation of Mineral Resource and Mineral Reserves Best Practices Guidelines (November 2019) (the “ CIM Best Practices Guidelines ”). The Mineral Resource estimate was classified following the CIM Definition Standards.
The QP for the Mineral Resource estimate reflected in the Ikkari Technical report is Mr. Brian Thomas, P.Geo., an independent QP, within the meaning of NI 43-101 and an employee of WSP based in Sudbury, Ontario, Canada. The effective date of the Mineral Resource estimate is October 24, 2023.
The Mineral Reserves reflected in the Ikkari Technical Report were estimated in accordance with the CIM Best Practice Guidelines. The disclosure of the Reserve Estimate uses the NI 43-101 guidelines and has excluded the use of Inferred Mineral Resources. The QP for this Mineral Reserve estimate is Mr. Timothy Daffern, B.Eng., C.Eng., ACSM., QMR, FAusIMM, FIMMM, M.CIM., M.SME (USA), an independent QP within the meaning of NI 43-101 and an employee of WSP UK. based in England, UK. The effective date of the Mineral Reserve estimate is January 23, 2025.
Mr. Craig Hartshorne, a Chartered Geologist and a Fellow of the Geological Society of London, is the Qualified Person responsible for the accuracy of scientific and technical information in this news release.
The NI-43-101 has been filed on SEDAR+ under the Company’s profile and is also available on the Company’s website: www.rupertresources.com
About Rupert Resources
Rupert Resources is a gold exploration and development company listed on the Toronto Stock Exchange. The Company is focused on making and advancing discoveries of scale and quality with high margin and low environmental impact potential. The Company’s principal focus is Ikkari, a new high-quality, multi-million ounce gold discovery in Northern Finland.
Cautionary Note Regarding Forward Looking Statements
This press release contains statements which, other than statements of historical fact constitute “forward-looking information” within the meaning of applicable securities laws, including statements with respect to: results of exploration and development activities and mineral resources. The words “may”, “would”, “could”, “will”, “intend”, “plan”, “anticipate”, “believe”, “estimate”, “expect” and similar expressions, as they relate to the Company, are intended to identify such forward-looking statements. Forward-looking statements included in this press release include, but are not limited to, statements relating to: the Mineral Resource and Mineral Reserve estimates; plans and expectations regarding future exploration programs; plans and expectations regarding future project development; the progression of the EIA and Definitive Feasibility Study on the timeline contemplated herein, if at all; operating and cost estimates; future gold prices; the LOM; the achievement of commercial production at Ikkari on the timeline contemplated herein, if at all; and the Company’s plans for future advancement of the Ikkari Project. Investors are cautioned that forward-looking statements are based on the opinions, assumptions and estimates of management considered reasonable at the date the statements are made, and are inherently subject to a variety of risks and uncertainties and other known and unknown factors that could cause actual events or results to differ materially from those projected in the forward-looking statements. These factors include the general risks of the mining industry, as well as those risk factors discussed or referred to in the Company's annual Management's Discussion and Analysis for the year ended February 29, 2024, available on the Company’s website atwww.rupertresources.comand on SEDAR+ atwww.sedarplus.ca. Should one or more of these risks or uncertainties materialize, or should assumptions underlying the forward-looking statements prove incorrect, actual results may vary materially from those described herein as intended, planned, anticipated, believed, estimated or expected. Although the Company has attempted to identify important factors that could cause actual actions, events or results to differ materially from those described in forward-looking information, there may be other factors that cause actions, events or results not to be as anticipated, estimated or intended. There can be no assurance that such information will prove to be accurate as actual results and future events could differ materially from those anticipated in such statements. Any forward-looking statement speaks only as of the date on which it is made and, except as may be required by applicable securities laws, the Company does not intend, and does not assume any obligation to update any forward-looking statement, whether as a result of new information, future events or results or otherwise.
Cautionary Note Regarding Mineral Resources and Mineral Reserves
Unless otherwise indicated, the scientific and technical disclosure included in this press release, including all Mineral Resource and Mineral Reserve estimates contained in such technical disclosure, has been prepared in accordance with NI 43-101 and the Canadian Institute of Mining, Metallurgy and Petroleum (“ CIM ”) Definition Standards on Mineral Resources and Mineral Reserves, adopted by the CIM Council on May 10, 2014 (the “ CIM Definition Standards ”). Readers are cautioned that Mineral Resources are not Mineral Reserves and do not have demonstrated economic viability. There is no certainty that all, or any part, of Mineral Resources will be converted into Mineral Reserves. Inferred Mineral Resources are Mineral Resources for which quantity and grade or quality are estimated based on limited geological evidence and sampling. Geological evidence is sufficient to imply but not verify geological and grade or quality continuity. Inferred Mineral Resources are based on limited information and have a great amount of uncertainty as to their existence and as to their economic and legal feasibility, although it is reasonably expected that the majority of Inferred Mineral Resources could be upgraded to Indicated Mineral Resources with continued exploration. Inferred Mineral Resources are considered too speculative geologically to have economic considerations applied to them that would enable them to be categorized as Mineral Reserves.
Figure 7: Rupert Resources timeline to production
Figure 6: Plan view of overall mine and site layout
Figure 5: Process flow sheet for the production of gold dore, Ikkari project.
Figure 4: Combined LOM mining schedule including waste movements and average grade per annum. Total movements peak in year 2 at 24Mt
Figure 3: Ikkari mine plan with open pit stages shown in yellow (1st stage) and red (2nd stage) together with underground development (brown) and stopes (blue). Isometric view looking towards 015° with a plunge of 30°
Figure 2: Post-tax free cashflow analysis (USD Millions) over the life of project (assuming long term consensus gold price $2150/oz)
Figure 1: Gold production per annum over LOM and average grade (Au g/t) of mill feed
